Вертикально-фрезерный обрабатывающий центр ФП80МФ3
| Модель: | ![]() |
ФП80МФ3 |
| Производитель: | ![]() |
Россия |
Станок ФП80МФ3 фрезерный вертикальный специализированный с ЧПУ и автоматической сменой инструмента предназначен для обработки деталей сложной криволинейной формы (диск, плита, рычаг, корпусная деталь и др.) из сталей, легких сплавов в условиях механического цеха. Большой рабочий стол 1300х800 мм, увеличенная высота по оси Z - позволяет обрабатывать габаритные заготовки. На станке можно производить фрезерование одновременно по трем координатам, сверление, зенкерование, развертывание, растачивание отверстий, нарезание резьбы. Автоматическое управление станком по программе осуществляется устройством числового программного управления.Станок осуществляет перемещение стола, салазок и фрезерной головки, переключение числа оборотов шпинделя, включение и выключение шпинделя, выбор и смену инструментов, а также управление вспомогательным оборудованием.
Преимущества
- Сделано в России.
- Высокая производительность и компактность.
- Удобный широкий рабочий стол.
- Высокая прочность элементов конструкции.
- Высокие динамические характеристики обеспечиваются кинематикой и системой разгрузки.
- Температурная стабильность на всех диапазонах вращения шпинделя.
- Долговременная высокая точность.
- Высокая надёжность.
- Ограждение станка не препятствует манипуляциям с загрузкой-выгрузкой деталей и заготовок.
Механическая часть
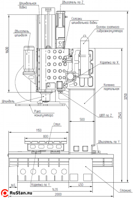
Станина представляет собой чугунную отливку коробчатой формы, усиленную внутренними поперечными и продольными ребрами. На верхней плоскости по бокам станины крепятся профильные усиленные Х-образные роликовые рельсовые направляющие для перемещения стола по оси Y. Массивная чугунная станина станка эффективно поглощает вибрации при обработке. Основание станка имеет 14 мест крепления анкерных болтов, что позволяет легко выставить станок по уровню и крепко зафиксировать станину на фундаменте. На станине справа и слева от направляющих выполнены в отливке два цилиндрических паза с небольшим уклоном в сторону оператора станка, предназначенные для установки двух шнековых транспортёров стружки.
Колонна портальная представляет П-образную чугунную коробчатую конструкцию, имеет две опорные площадки для крепления на станину. Коробчатая конструкция колонны с рёбрами внутри обеспечивает высокую жесткость, уменьшая действие деформаций, возникающих во время ускоренных перемещений и обработки заготовок. 2 места крепления к основанию более равномерно передают нагрузки на основание. Станина и колонна портальная образуют основную несущую структуру, предназначенную для перемещения стола и салазок шпиндельной бабки. На верхнюю поверхность станины крепится поддон кабинета станка.
Прямоугольный, широкий рабочий стол с Т образными пазами идеально подходит для обработки корпусных и габаритных деталей. Стол перемещается только по координате Y - это обеспечивает большую грузоподъемность - до 1000 кг, точность, жесткость при обработке. Перемещение стола по направляющим осуществляется четырьмя каретками, которые расположены по две на каждой направляющей. По центру станины между направляющими находится шариковинтовая пара по оси Y, состоящая из винта, закреплённого на двух опорах к станине, и гайки, закреплённой на столе. С помощью вращения винта осуществляется перемещение стола относительно станины.
Шпиндельная бабка представляет собой вытянутый параллелепипед, отлитый из чугуна с внутренней полостью. Длина шпиндельной бабки 1600 мм. Горизонтальное перемещение салазок шпиндельной бабки по направляющим осуществляется шестью каретками, которые расположены по три на каждой направляющей (увеличивают жесткость системы при перемещении шпиндельной бабки). Профильные направляющие находятся на передней вертикальной поверхности колонны портальной, расположены горизонтально и одна закреплена по верхнему срезу колонны, другая – ниже на 650 мм. Между направляющими находится шариковинтовая пара по оси Х, состоящая из винта, закреплённого на двух опорах к колонне, и гайки, закреплённой на салазках шпиндельной бабки. Шпиндельная бабка перемещающаяся вертикально по 4-м коробчатым направляющим скольжения оси «Z» и имеет жесткую конструкцию.
ШВП высокого класса точности и роликовые направляющие Hiwin. В каретках данного типа четыре рядя роликов размещены под углом 45º, поэтому они одинаково воспринимают нагрузку как в радиальном, так и в продольном направлениях. Прямоугольные направляющие вертикальной оси Z обеспечивают дополнительную жесткость. Гидроразгрузка системы веса шпиндельной бабки позволяет обеспечить динамику и точность вертикальных перемещений.
Пластинчатый стружкосборник позволяет эффективно и быстро удалять смываемую стружку в стружечную тележку, сокращает время простоя оборудования, облегчает уборку рабочей зоны.
Автоматическая система смазки обеспечивает поступление смазки в гайки ШВП по всем трем осям, направляющие качения и в смазочные канавки прямоугольных направляющих оси Z.
Магазин инструментов типа манипулятор обеспечивает быструю и точную смену инструмента. Время "от стружки до стружки" - минимальное. Возможность фиксации позиций магазина для загрузки инструментов больших габаритов.
В базовой комплектации имеет конус BT50, максимальная скорость вращения - до 8000 об/мин. Холодильник масла шпинделя - обеспечивает компенсацию температурных деформаций шпинделя при обработке и увеличивает срок его работы. На всех координатах применены самые прогрессивные типы сервоприводов.
Измерение готовых деталей
Использование автоматического устройства измерения заготовки (Renishaw OMP60) обеспечивает высокую точность базирования, сокращает время на установку и базирование детали.
Данное устройство позволяет установить деталь с привязкой к координатам в ЧПУ станка, позволяет произвести измерения размеров заготовки на разных этапах ее обработки и для контроля обработанных деталей, включая автоматическое обновление коррекции на инструмент.
Контактные измерения при помощи рубинового щупа позволяют:
- упростить процедуру привязки заготовки, ее выравнивание по отношению к осям станка и корректировку углового положения поворотной оси;
- автоматизировать процедуру привязки и контроля размеров;
- отсутствие ошибок, связанных с неточными действиями оператора;
- сокращение простоя станка, отсутствие необходимости снимать деталь для проверки на КИМ и возвращать обратно;
- снижение объема брака;
- повышение производительности и контроль каждой детали в серии;
Технические характеристики ФП80МФ3 | |
|---|---|
| Характеристика | Значение |
| Размер стола (Д х Ш), мм | 1300х800 |
| Промежуток (мм) х Ширина (мм)х Количество Т-образных пазов (шт) | 140х18х5 |
| Наибольшая нагрузка на стол, кг | 1000 |
| Расстояние от оси шпинделя до направляющих колонны, мм | - |
| Расстояние от торца шпинделя до поверхности рабочего стола, мм | 170-770 |
| Подготовка в э/шкафу под 4ю ось | да |
| Поворотный стол | опция |
| Диаметр поворотного стола, мм | 400 |
| Класс точности станка | Н |
| Оси | |
| X/Y/Z Перемещение, мм | 1300/800/600 |
| X/Y/Z тип направляющих | качения/ качения/ скольжения |
| X/Y/Z/A Скорость быстрых перемещений, м/мин | 36/36/24/4 |
| Скорость рабочей подачи, мм/мин | 1~15000 |
| X/Y/Z/A Наибольший момент на электродвигателях приводов, Нм | 20/20/20 |
| Точность позиционирования, мкм | ±4 |
| Повторяемость позиционирования, мкм | ±2,5 |
| ШВП диаметр/шаг, мм | 40/12 |
| Шпиндельная бабка | |
| Мощность электродвигателя главного привода, кВт | 27/12 |
| Вращающий момент на шпинделе (до 30 мин), Нм | 250 |
| Вращающий момент на шпинделе (продолжительно), Нм | 115 |
| Диапазон частот вращения шпинделя, об/мин | 40~8000 |
| Хвостовик инструмента | BT 50 |
| Конус шпинделя (7:24) | ISO50 |
| Тип магазина | манипулятор |
| Емкость магазина инструмента, шт | 24 |
| Максимальный диаметр/длина сменного инструмента, мм | 200(110)/350 |
| Макс. масса инструмента, кг | 8 |
| Время смены инструмента, сек | 2.5 |
| Тип разгрузки шпиндельной бабки | пневмогидроцилиндр |
| Охлаждение шпинделя | холодильник масла |
| Прочее | |
| Система ЧПУ | Siemens 828D |
| Система измерения вылета инструмента (опция) | Renishaw TS-27R |
| Система привязки заготовки, измерения детали (опция) | Renishaw OMP40 |
| Тип стружкосборника | ленточный |
| Требуемое давление воздуха, МПа | 0.6 |
| Емкость бака СОЖ, л | 450 |
| Потребляемая мощность станка, кВА | 23 |
| Габаритные размеры (Д х Ш х В), мм | 3400х2600х4300 |
| Размеры на поддоне (Д х Ш х В), мм | 3 поддона |
| Масса ФП80МФ3 нетто, кг | 8500 |
| Масса брутто, кг | 9500 |
Базовая комплектация
- Серводвигатели по 3-м осям;
- Автоматическое устройство смены инструмента на 24 инструмента;
- Масляный холодильник шпинделя;
- Транспортер ленточный для удаления стружки;
- Кабинетная защита зоны резания (3/4);
- Рабочее освещение и светосигнальная колонна индикации состояния станка;
- Автоматическая система смазки;
- Пистолет для обдува воздухом рабочей зоны;
- Система обдува конуса шпинделя при смене инструмента;
- Система подачи СОЖ в зону резания;
- Электрошкаф с теплообменником;
- Сепаратор СОЖ;
- Инструмент для обслуживания станка, анкерные болты и башмаки;
- Паспорт станка (в составе руководства).
Опции
- 4-я контролируемая ось, поворотный стол с ЧПУ (ФП80МФ4) - одновременное управления по 4м координатам
- Кондиционер электрошкафа
- ЧПУ Fanuc, МодМашСофт, БалтСистем
- Оптические линейки по осям
- Система подачи СОЖ под давлением 30 Бар
- Устройство смывания стружки с дополнительным насосом
- Устройство контроля обмера детали Renishaw
- Автоматическое устройство настройки инструмента Renishaw
- Пистолет СОЖ
- ShopMill циклы визуального программирования от Siemens
- Шпиндель BT40
- Редуктор шпинделя ZF - увеличение момента до 460 Нм без ограничения времени нагрузки (только для BT50)
- Кабинетная защита зоны резания (4/4 +верх)
Комментарии и вопросы:
Комментариев пока нет, но ваш может быть первым.Разметить комментарий или вопрос
Отзывы о ФП80МФ3:
Отзывов пока нет, но ваш может быть первым.Обозначение Россия используется исключительно для идентификации товаров соответствующего производителя. ООО "Компания "РуСтан" не является правообладателем товарного знака Россия и не аффилировано с правообладателем.










