Одноосевой поворотный стол ЧПУ CNC-250R GSA+
Модель: | ![]() |
CNC-250R |
Производитель: | ![]() |
GSA |
Комбинация высокоточного червячного колеса из бронзо-никелевого сплава и стального закаленного червяка обеспечивают длительное сохранение точности позиционирования.
Многоточечная пневматическая или гидравлическая тормозная система обеспечивает превосходное усилие зажима, исключающее вибрацию при силовом резании.
Универсальный интерфейс, позволяющий проводить как контурную обработку с применением 4-й оси, так и индексирование по М-кодам при позиционной обработке.
Увеличенное отверстие в шпинделе позволяет закреплять трубные заготовки. Поворотные столы данного типа широко применяются на вертикальных обрабатывающих центрах и фрезерных станках. Двигатель может быть установлен как с правой, так и с левой стороны.
Технические характеристики CNC-250R GSA+ | ||
---|---|---|
Параметр | Ед. изм. | Значение |
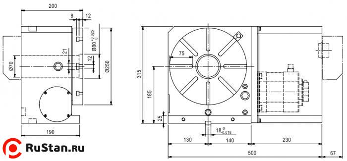
Диаметр | мм | 250 |
Высота центров при вертикальной установке | мм | 185 |
Высота стола при горизонтальной установке | мм | 200 |
Общая высота при вертикальной установке | мм | 315 |
Вес CNC-250R нетто (без двигателя) | кг | 124 |
Центральное отверстие | мм | 70Н7 |
Ширина Т-пазов | мм | 12Н7 |
Ширина направляющего сухаря | мм | 18Н7 |
Сервомотор Meldas | HF-104T / HF-154T | |
Сервомотор Fanuc | a4i / a8i | |
Сервомотор Siemens | 1FK7060 / 1FK7063 | |
Сервомотор Heidenhein | QSY116C / QSY116E | |
Передаточное число | 1:180/1:90 | |
Минимальный угол | град | 0,001 |
Максимальные обороты | об/мин | 11,1/22,2 |
Усилие пневмозажима | кг*м | 47 |
Усилие гидрозажима | кг*м | 94 |
Класс точности позиционирования | 15” | |
Повторяемость (Однонаправленный) | с | ±4” |
Повторяемость (Двунаправленный) | с | ±8” |
Макс. усилие резания | кг*м | 45 |
Максимальные нагрузки | |||
---|---|---|---|
Параметр | Схема | Ед. изм. | Значение |
Максимальная вертикальная нагрузка | ![]() | кг | W = 150 |
Максимальная горизонтальная нагрузка | ![]() | кг | W = 300 |
Максимальное радиальное усилие | ![]() | кг | F = 1450 |
Максимальное радиальное усилие | ![]() | кг*м | FxL = 94 |
Максимальное радиальное усилие | ![]() | кг*м | FxL = 180 |
Комментарии и вопросы:
Комментариев пока нет, но ваш может быть первым.Разметить комментарий или вопрос
Отзывы о CNC-250R:
Отзывов пока нет, но ваш может быть первым.Компания-изготовитель оставляет за собой право на изменение комплектации и места производства товара без уведомления!
Обращаем Ваше внимание на то, что информация на сайте не является публичной офертой!